您好,欢迎访问深圳市阿赛姆电子有限公司的官方网站!

ESD防护器件生产制造商

EMC解决方案提供商

客户服务热线

您的位置:首页 > 案例新闻 > ASIM动态 >  

案例新闻

news

全国服务热线: 400-0405-909

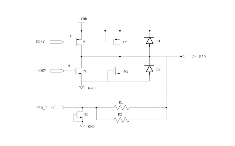
ESD管并联电阻会增强防护还是添干扰? 头条
ESD管并联电阻的效果不是绝对的增强防护或增添干扰,而是取决于电阻的阻值选型、应用场景以及电路的工作频率,核心是在ESD 防护响应速度和电路直流 交流特性之间做权衡。
TVS 二极管防护设计的选型准则

TVS 二极管防护设计的选型准则

电子设备面临的静电放电(ESD)威胁不容忽视,TVS二极管作为端口防护的核心器件,能精准拦截瞬间电压冲击,保护后级电路。

了解详情>>
为何高分子ESD更适配通信与I/O接口静电防护?

为何高分子ESD更适配通信与I/O接口静电防护?

聚焦高分子ESD:电子设备的静电守护者静电是电子产品的隐形杀手。高分子ESD静电抑制器凭借其独特材料和结构,成为抵御静电损害的有效屏障。

了解详情>>
蓝牙耳机ESD防护深度解析:方案设计与器件选型推荐

蓝牙耳机ESD防护深度解析:方案设计与器件选型推荐

TWS耳机ESD防护核心挑战与阿赛姆解决方案一、ESD对TWS耳机的隐性威胁信号同步失效静电干扰可破坏蓝牙天线信号完整性,导致双耳音频延迟>10

了解详情>>

深圳市阿赛姆电子有限公司

ESD防护器件生产制造商 EMC解决方案提供商
400-014-4913
地址:深圳市龙华区大浪街道高峰社区龙城工贸御祥3栋1层
邮箱:asim@asim.com.cn
微信公众号
官方客服